公司简介
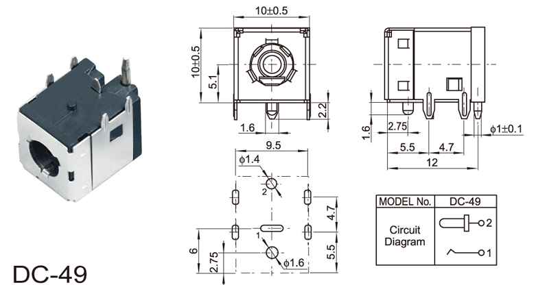
 DC电源插座系列 >> DC-49 1
1

 

1
  点击次数:348  发布时间: 【打印】 【返回 1